Tabla de contenidos
- Qué es un analizador de espectro y cómo trabaja en un barrido electrónico
- Diferencia entre analizador de espectro y detector de frecuencias
- El analizador de espectro como herramienta imprescindible en el barrido electrónico
- Valor técnico y jurídico del análisis espectral en contramedidas electrónicas
- Preguntas frecuentes sobre el Analizador de Espectro en el Barrido Electrónico
El analizador de espectro constituye una herramienta esencial en cualquier barrido electrónico profesional orientado a la detección de dispositivos de vigilancia encubiertos. Su función principal consiste en representar gráficamente las señales radioeléctricas presentes en un entorno, permitiendo identificar emisiones anómalas que pueden corresponder a micrófonos, cámaras o sistemas de localización como Airtags. A diferencia de otros equipos más simples, este instrumento no se limita a indicar la presencia de señal, sino que permite analizar su comportamiento, frecuencia, potencia y variación en el tiempo.

En el ámbito del barrido electrónico jurídico, el analizador de espectro adquiere un valor añadido. No solo facilita la detección técnica de posibles amenazas, sino que permite interpretar los resultados con criterio, evitando falsas conclusiones. La correcta lectura del espectro radioeléctrico resulta determinante para diferenciar una emisión legítima de una potencial intrusión, algo especialmente relevante cuando los hallazgos pueden tener consecuencias legales.
Un barrido sin analizador de espectro queda limitado a una detección básica, insuficiente en entornos sensibles como despachos profesionales, salas de negociación o vehículos. Por este motivo, el uso de este tipo de equipos se considera imprescindible cuando se busca un análisis riguroso y técnicamente defendible.
Qué es un analizador de espectro y cómo trabaja en un barrido electrónico
Un analizador de espectro es un dispositivo que muestra visualmente todas las señales de radiofrecuencia presentes en un rango determinado. En lugar de ofrecer una alerta genérica, presenta un gráfico donde se observan las frecuencias activas y su intensidad. Esta representación permite al operador identificar patrones, picos irregulares o emisiones intermitentes que no deberían encontrarse en el entorno analizado.
Durante un barrido electrónico, el analizador de espectro se utiliza para realizar exploraciones sistemáticas del espacio radioeléctrico. El técnico observa cómo se comportan las señales a lo largo del tiempo, detectando cambios que pueden indicar la activación de un dispositivo oculto. Este análisis resulta especialmente eficaz frente a sistemas que no emiten de forma continua, como grabadoras activadas por sonido o dispositivos que transmiten datos en intervalos concretos.
Además, el analizador permite trabajar con distintos anchos de banda y niveles de resolución, lo que facilita un estudio detallado incluso en entornos saturados de señales legítimas. Esta capacidad de discriminación convierte al analizador de espectro en una herramienta indispensable para comprender qué ocurre realmente en el entorno y no limitarse a una simple detección superficial.

Diferencia entre analizador de espectro y detector de frecuencias
La diferencia entre un analizador de espectro y un detector de frecuencias resulta clave para entender el alcance real de un barrido electrónico. Un detector de frecuencias actúa como una herramienta de alerta. Su función consiste en indicar que existe una emisión dentro de un rango determinado, normalmente mediante señales acústicas o visuales. Este tipo de equipos resulta útil como primera aproximación, pero no ofrece información detallada sobre la señal detectada.
El analizador de espectro, en cambio, proporciona información completa y visual. No solo detecta la presencia de una señal, sino que permite conocer su frecuencia exacta, su potencia y su comportamiento. Esta diferencia resulta fundamental cuando se necesita interpretar el origen de la emisión y valorar si corresponde a un dispositivo de vigilancia o a una fuente legítima, como redes WiFi, telefonía móvil o sistemas internos del propio entorno.
En un contexto jurídico, esta distinción cobra especial importancia. Un detector de frecuencias puede generar sospechas, pero no permite justificar técnicamente una conclusión. El analizador de espectro, bien utilizado, sí permite documentar hallazgos con precisión, lo que resulta esencial para la elaboración de informes periciales o para fundamentar decisiones posteriores.
Por este motivo, ambos equipos no cumplen la misma función y no deben considerarse equivalentes. El detector alerta; el analizador permite comprender y demostrar.
Diferencia práctica entre detector de frecuencias y analizador de espectro en señales WiFi
En los barridos electrónicos actuales es habitual encontrar dispositivos que utilizan redes WiFi para transmitir información en tiempo real. Este tipo de tecnología plantea un problema claro cuando se utilizan herramientas básicas de detección, ya que muchas señales espía comparten las mismas bandas que los sistemas legítimos del entorno. Comprender cómo actúa cada equipo resulta clave para evitar errores de interpretación durante un barrido.
Por qué un detector de frecuencias no detecta una grabadora WiFi oculta
Un detector de frecuencias identifica actividad dentro de una banda concreta, como 2,4 GHz o 5 GHz. En un entorno donde existe un router WiFi operativo, estas bandas ya están ocupadas de forma continua. Si una grabadora espía transmite audio en tiempo real utilizando esa misma red, el detector no puede diferenciar ambas emisiones, ya que para él forman parte de una única señal legítima.
El detector indica que existe actividad, pero no permite saber cuántos dispositivos transmiten, ni si alguno de ellos resulta ajeno al entorno. En consecuencia, la grabadora espía pasa desapercibida porque su transmisión se confunde con el tráfico normal del router, aunque esté enviando información de forma constante.
Cómo un analizador de espectro sí permite identificar la grabadora WiFi
El analizador de espectro permite observar el comportamiento real de las señales WiFi. Aunque compartan banda, el equipo muestra diferencias en potencia, anchura de canal y patrones de transmisión. Esto permite identificar que existen varias emisiones simultáneas y no una única fuente.
Además, en un análisis avanzado, se pueden identificar canales utilizados y dispositivos activos en la red, detectando transmisiones que no corresponden a los equipos conocidos. De este modo, el analizador permite localizar dispositivos ocultos incluso cuando están integrados en infraestructuras legítimas, como un router, algo imposible para un detector de frecuencias convencional.

El analizador de espectro como herramienta imprescindible en el barrido electrónico
Un barrido electrónico que aspire a ser riguroso debe apoyarse necesariamente en un analizador de espectro. Sin este instrumento, el análisis queda limitado a detecciones parciales que no permiten valorar el contexto completo de las emisiones. En entornos complejos, donde conviven múltiples señales legítimas, solo el análisis espectral permite separar lo normal de lo sospechoso.
El analizador de espectro resulta especialmente relevante frente a dispositivos modernos diseñados para pasar desapercibidos. Muchos sistemas de espionaje actuales reducen su potencia, transmiten en ráfagas cortas o utilizan bandas compartidas para camuflarse entre señales habituales. Estas estrategias superan con facilidad a los detectores simples, pero dejan rastro cuando se analizan con herramientas adecuadas.
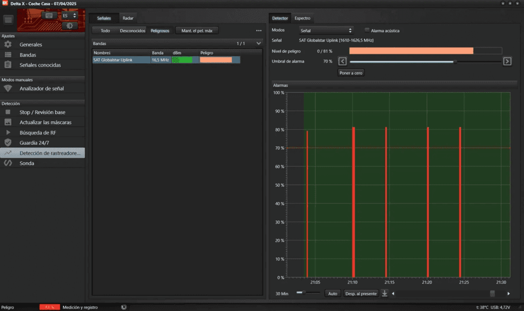
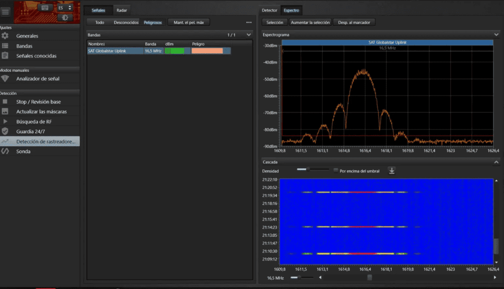
Equipos como el Delta X de 6 GHz o el MEFF M2 permiten trabajar con rangos amplios y con un nivel de detalle suficiente para realizar barridos efectivos. Su uso no garantiza por sí solo el éxito, pero resulta indispensable para que el técnico pueda interpretar el entorno radioeléctrico con criterio y fundamento.

Desde una perspectiva profesional, prescindir del analizador de espectro implica asumir un riesgo técnico y jurídico innecesario. La detección puede resultar incompleta y las conclusiones, cuestionables.
Valor técnico y jurídico del análisis espectral en contramedidas electrónicas
El uso del analizador de espectro no solo aporta valor técnico, sino también jurídico. En un barrido electrónico con posibles implicaciones legales, resulta esencial que las conclusiones se basen en observaciones objetivas y reproducibles. El análisis espectral permite registrar capturas, observar comportamientos y describir hallazgos de forma precisa.
Esta información técnica facilita la elaboración de informes claros, donde se explica qué señales se detectaron, por qué se consideran anómalas y qué riesgo suponen para la confidencialidad. De este modo, el análisis no se limita a una percepción subjetiva, sino que se apoya en datos verificables.
En procedimientos relacionados con la intimidad, la protección de datos o la revelación de secretos, esta solidez técnica marca la diferencia. Un barrido bien documentado aporta seguridad al cliente y permite adoptar decisiones informadas, ya sea para reforzar medidas preventivas o para iniciar actuaciones legales.
En definitiva, el analizador de espectro no es un complemento opcional, sino una pieza central del barrido electrónico profesional. Su correcta utilización permite detectar, comprender y justificar, tres elementos inseparables cuando se trabaja en la protección de la confidencialidad en entornos sensibles.
Preguntas frecuentes sobre el Analizador de Espectro en el Barrido Electrónico
¿Qué papel tiene el analizador de espectro en un barrido electrónico?
El analizador de espectro permite observar y analizar todas las señales radioeléctricas presentes en un entorno. En un barrido electrónico, su función consiste en identificar emisiones anómalas, estudiar su comportamiento y determinar si pueden corresponder a dispositivos de vigilancia ocultos. Sin este análisis, la detección se limita a simples indicios sin base técnica suficiente.
¿Un detector de frecuencias puede sustituir a un analizador de espectro?
No, un detector de frecuencias no puede sustituir a un analizador de espectro. El detector únicamente avisa de la presencia de señal dentro de un rango, pero no ofrece información detallada sobre su origen, potencia o patrón. El analizador de espectro permite interpretar la señal y valorar si se trata de una emisión legítima o de un posible dispositivo espía.
¿Es posible realizar un barrido electrónico profesional sin analizador de espectro?
Un barrido sin analizador de espectro resulta incompleto y poco fiable. En entornos con múltiples señales activas, solo el análisis espectral permite diferenciar lo normal de lo sospechoso. Prescindir de esta herramienta implica asumir un riesgo elevado de falsas conclusiones o de no detectar dispositivos diseñados para pasar desapercibidos.
¿Por qué se utilizan analizadores como el Delta X de 6 GHz o el MEFF M2?
Equipos como el Delta X de 6 GHz o el MEFF M2 permiten trabajar con rangos amplios de frecuencia y ofrecen una visualización detallada del espectro. Estas capacidades resultan necesarias para detectar emisiones intermitentes, de baja potencia o integradas en bandas compartidas, habituales en dispositivos de vigilancia modernos.
¿El análisis espectral tiene valor desde el punto de vista jurídico?
Sí, el análisis espectral aporta valor jurídico porque permite documentar los hallazgos de forma objetiva y verificable. Esta información facilita la elaboración de informes técnicos claros, que pueden servir de base para decisiones legales relacionadas con la protección de la intimidad, la confidencialidad o la posible existencia de conductas ilícitas.





